
MIL-DTL-17361/16A(SH)
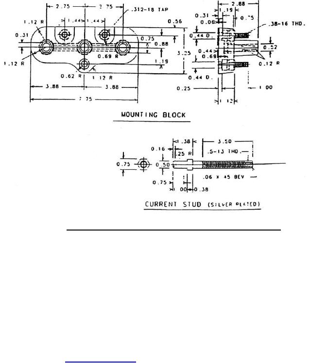
Mounting block for circuit breaker type AQB-LF226, outline dimensions.
FIGURE 2.
CHANGES FROM PREVIOUS ISSUE: Marginal notations are not used in this revision to identify changes with
respect to the previous issue due to the extent of the changes.
Preparing Activity:
Navy SH
(Project 5925-N185-016)
NOTE: The activities listed above were interested in this document as of the date of this document. Since
organizations and responsibilities can change, you should verify the currency of the information above using the
ASSIST Online database at https://assist.daps.dla.mil.
6