
INCH-POUND
MIL-PRF-39019/5H
14 May 2010
SUPERSEDING
MIL-PRF-39019/5G
27 August 1997
PERFORMANCE SPECIFICATION SHEET
CIRCUIT BREAKERS, MAGNETIC, LOW-POWER, SEALED, TRIP-FREE
THREE-POLE
This specification is approved for use by all Departments
and Agencies of the Department of Defense.
The requirements for acquiring the product described herein shall consist of
this specification sheet and MIL-PRF-39019.
(SEE NOTE 11)
(SEE NOTE 13)
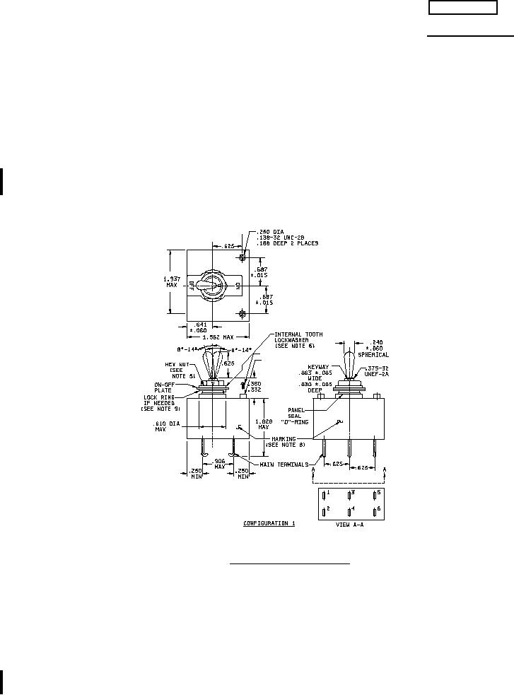
FIGURE 1. Circuit breaker configuration.
AMSC N/A
FSC 5925
For Parts Inquires submit RFQ to Parts Hangar, Inc.
© Copyright 2015 Integrated Publishing, Inc.
A Service Disabled Veteran Owned Small Business