
MIL-DTL-17361G(SH)
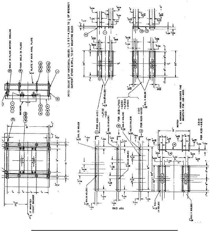
FIGURE 4. Standard mounting for shock testing drawout-mounted type AQB circuit breakers - Continued.
45
For Parts Inquires submit RFQ to Parts Hangar, Inc.
© Copyright 2015 Integrated Publishing, Inc.
A Service Disabled Veteran Owned Small Business