
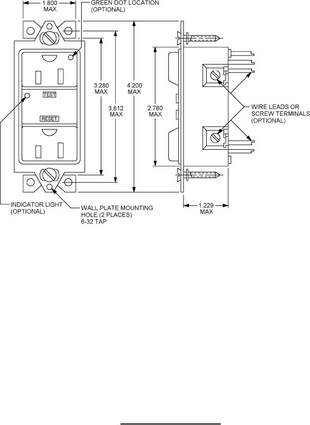
A-A-55461D
Inches
mm
1.229
31.22
1.800
45.72
2.780
70.61
3.280
83.33
3.812
96.82
4.200
106.68
NOTES:
1. Dimensions are in inches.
2. Unless otherwise specified, tolerance is .005 inch (0.13 mm).
3. Location of test button, reset button, and the indicator light is optional.
FIGURE 1. Configuration and dimensions.
2
For Parts Inquires submit RFQ to Parts Hangar, Inc.
© Copyright 2015 Integrated Publishing, Inc.
A Service Disabled Veteran Owned Small Business