
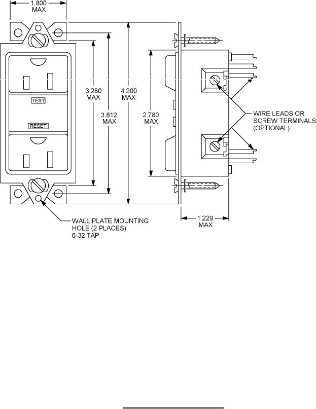
A-A-55459D
Inches
mm
1.229
31.22
1.800
45.72
2.780
70.61
3.280
83.33
3.812
96.82
4.200
106.68
Inches
mm
1.229
31.22
1.800
45.72
2.780
70.61
3.280
83.33
3.812
96.82
4.200
106.68
NOTES:
1. Dimensions are in inches.
2. Unless otherwise specified, tolerance is .005 inch (0.13 mm).
3. Location of test and reset buttons is optional.
FIGURE 1. Configuration and dimensions.
2
For Parts Inquires submit RFQ to Parts Hangar, Inc.
© Copyright 2015 Integrated Publishing, Inc.
A Service Disabled Veteran Owned Small Business