
MIL-PRF-55629E
"O" - "CO" - "O" OPERATIONS
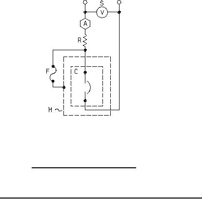
1-POLE CIRCUIT BREAKER TEST
FIGURE 6. DC interrupting capacity test operations (duty cycle) and circuit wiring.
23
For Parts Inquires submit RFQ to Parts Hangar, Inc.
© Copyright 2015 Integrated Publishing, Inc.
A Service Disabled Veteran Owned Small Business