
MIL-PRF-39019F
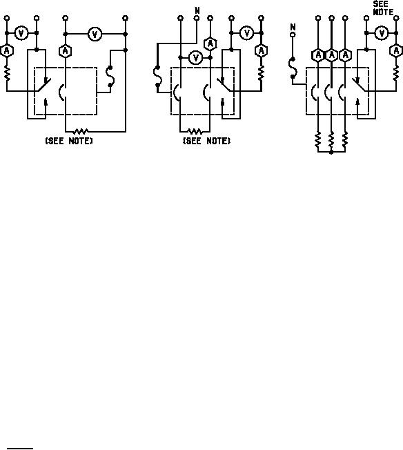
Circuit breakers shall be connected as shown in the following diagram:
NOTE: This portion of the diagram applies only to circuit breakers with auxiliary contacts.
Each pole of the multiple breakers shall be simultaneously subjected to the required load. When applicable, the
auxiliary contacts shall also make and break the specified load (see 3.4.8.2). An operating cycle is defined as the
mechanical closing and opening of the breaker, and the ratio of "on" time to "off" time shall be less than 1 to 5. The
mechanical operation shall simulate manual operation of the breaker, including overtravel, if any (see 6.6.4). All
exposed metal parts of the circuit breaker, except terminals, shall be maintained at the power source ground or
neutral through a normal blow fuse rated at 5 percent of the test load or 100 milliamperes, whichever is greater.
Connection to the circuit breaker shall be made to one side of the power source for half of the cycles, and to the other
side for the other half of the cycles. The fuse shall be observed during the test to determine if failure occurs prior to
conclusion of the test. Circuit breakers shall be examined for evidence of mechanical damage or loosening of parts.
Following the test, circuit breakers shall be subjected to the following tests.
a.
Dielectric withstanding voltage (see 4.8.3).
Insulation resistance (see 4.8.4).
b.
c.
Calibration (see 4.8.6.2).
d.
Seal (see 4.8.8).
e.
Auxiliary contact resistance (see 4.8.5b). Contact resistance shall not exceed 0.4 ohm.
4.8.11.1 Loads. For ac inductive loads, the power factor shall be 0.75 to 0.80. For ac resistive loads, the power
factor shall be between 0.90 and unity.
20
For Parts Inquires submit RFQ to Parts Hangar, Inc.
© Copyright 2015 Integrated Publishing, Inc.
A Service Disabled Veteran Owned Small Business